PSM

Services

Expertos en gestión y consultoría de
Seguridad de Procesos

Protegiendo sus operaciones con soluciones integrales

Somos PSM Services

En PSM Services contamos con un equipo de profesionales altamente calificados, con más de 15 años de experiencia en la industria desempeñando roles en ingeniería, construcción, mantenimiento, aseguramiento de calidad, precomisionamiento, comisionamiento, arranque y seguridad de procesos.

Nuestro equipo se destaca no solo por su experiencia, sino también por su capacidad para adoptar nuevas tecnologías y herramientas digitales. Esta combinación de experiencia y adaptabilidad nos permite ofrecer servicios eficaces a nuestros clientes, garantizando siempre los más altos estándares de seguridad y calidad.

Nuestros Servicios

Válvula de proceso

Gestión de Seguridad de Procesos

Consultoría en la construcción, implementación y mantenimiento de modelos de gestión de Seguridad de Procesos y prevención de Accidentes Mayores.

Planta de proceso

Cumplimiento PPAM

Consultoría para el cumplimiento del Decreto 1347 de 2021 Programa de Prevención de Accidentes Mayores PPAM.

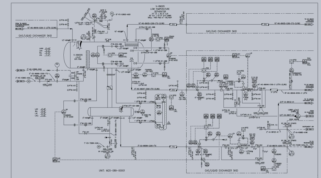
Plano de tubería e instrumentación>

Información de Seguridad de Procesos

Actualización de planos de tubería e instrumentación (P&ID ), lógicas de control, matriz causa efecto, listados de equipos e instrumentos.

Incidente de proceso>

Ejecución de Análisis de Riesgos

Planeación y ejecucón de análisis de riesgos de procesos bajo metodologias Hazop, Delta Hazop y What if?

Desarrollo de soluciones digitales>

Desarrollo de soluciones digitales

Desarrollo de soluciones y herramientas digitales para la implementación y seguimiento de buenas prácticas y estándares.

Transmisor de presión>

QA/QC y Precomisionamiento

Planeación y ejecución de QA/QC y Precomisionamiento de sistemas de control e instrumentación.

Equipo de auditores>

Auditorias en Seguridad de Procesos

Evaluación de eficacia de las prácticas de seguridad y la aplicación de estándares.

Sistema de alarma>

Diseño de sistemas de detección y alarma

Diseño e ingeniería de sistemas de detección y alarma contra incendios, cumpliendo con los estándares de la NFPA 72.

Contáctanos